产品分类
新闻推荐
hth·华体育(China)官方网站

hth·华体育(China)官方网站

地  址:江苏省启东市和平南路199号
电  话:13306282819
客  服:0513-83117726
传  真:0513-83117726邮  箱:ntjr2010@126.com
网  址:www.avenuesatcreeksideapts.com

产品中心PRODUCT CENTER
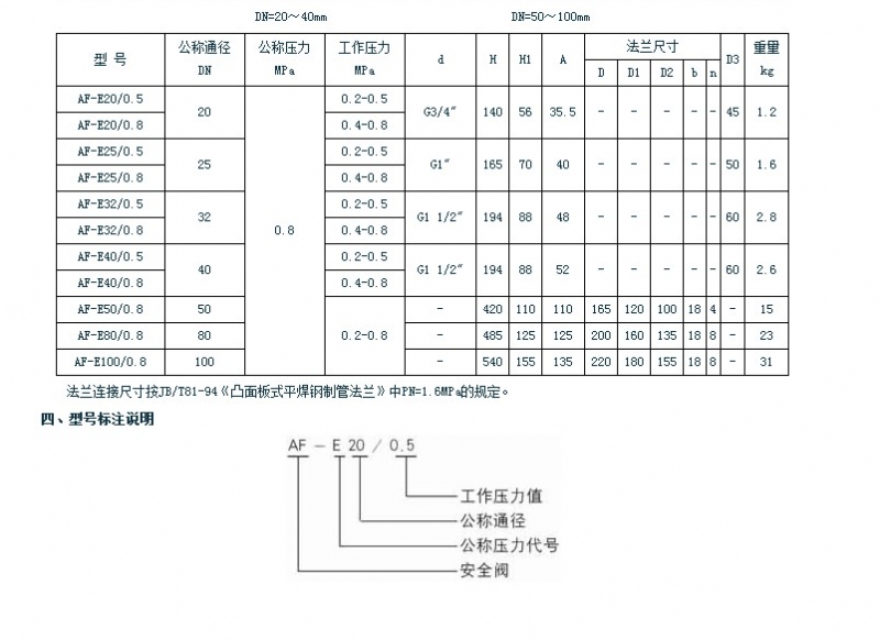
AF型安全阀(0.8MPa)
2017-7-24 点击:1422

2.JPG3.JPG